产品中心
代理产品
PRODUCTS CENTER
机车主传动智能IGBT驱动器
这里是标题一h1占位文字
CTR-GU-4502-DL02

CTR-GU-HD系列智能IGBT驱动器是我公司专门为驱动3300V和4500V重型IGBT模块而设计的,它们包括CTR-GU-3302型与CTR-GU-4502型两种型号。智能IGBT驱动器采用了可编程智能芯片,保护阈值可由程序灵活设置,很好地解决了传统IGBT驱动器难以解决的高性能驱动与可靠安全保护之间的矛盾,特别是在克服IGBT驱动产品常见保护的有效性、快速性与保护误动作之间的矛盾方面,其优势尤为突出。该驱动产品极大地提高了IGBT模块的运用可靠性与安全性,具有性能优良、运行可靠、使用方便等特点。该驱动产品已在特大功率高压变频器、特大容量高压SVG及铁路机车主传动等领域获得了广泛成功的运用。

CTR-GU-HD系列智能IGBT驱动器专用于驱动4500V和6500V重型IGBT模块,它们包括CTR-GU-4502型与CTR-GU6502型两种型号。它们由驱动板和门极适配板两部分组成,门极适配板安装在IGBT模块上,驱动板需单独安装。
CTR-GU-HD系列智能IGBT驱动器采用了独特的4种门极电阻驱动电路,通过智能芯片的控制, 可实现:
(1)在IGBT开通期间投入开通门极电阻Rg-on,关断期间投入正常关断门极电阻Rg-off1,而在关断过程结束后投入强化关断门极电阻Rg-off2以增强抗干扰性能;
(2)当检测到IGBT短路故障时,则投入阻值更高的故障关断门极电阻Rg-off3,保证了短路故障关断最可靠、最安全。
(3)CTR-GU-HD系列智能IGBT驱动器采用了独特的阈值曲线短路故障辨识技术,可对IGBT导通全过程的Uce进行检测,通过对IGBT开通过程中的不同阶段的Uce精准匹配,大幅度减小了保护盲区,很好地实现了短路故障保护的有效性、及时性与抗干扰的高度统一。
(4)CTR-GU-HD系列智能IGBT驱动器可以直接驱动2只并联的4500V/1200A或2只并联的6500V/600A IGBT模块;
(5)CTR-GU-HD系列智能IGBT驱动器配置独特的门极适配板,有效地避免了IGBT的门极击穿,限制和降低了短路关断的Uce电压尖峰,显著地提高了IGBT运用的可靠性与安全性。
(6)CTR-GU-HD系列智能IGBT驱动器采用DC24V单电源供电方式。
(7)CTR-GU-HD系列智能IGBT驱动器具有内置高压隔离稳压电源,无需要另外配置隔离电源。
(8)CTR-GU-HD系列智能IGBT驱动器具有短路保护、超温保护和供电电源欠压保护3种故障保护功能。
(9)CTR-GU-HD系列智能IGBT驱动器配置了PT100或PT1000温度检测元件接口。
(10)CTR-GU-HD系列智能IGBT驱动器具有优良的电磁兼容性能和防尘、防潮、防震、防冲击功能适合于在恶劣工作环境下运用。

CTR-GU-HD系列智能IGBT驱动器由驱动板与门极适配板两部分组成。驱动单个IGBT模块时,需要配置1块驱动板和1块门极适配板。驱动两个并联的IGBT模块时,需要配置1块驱动板和2块门极适配板。驱动板与门极适配板的照片分别如图1与图2所示。
图1 驱动板照片(用于驱动4500V IGBT)

图2 门极适配板照片

4.1 极限参数

4.2 主要技术规格

* 除了供电电源欠电压由硬件决定,短路、超温阈值均可通过软件设置。


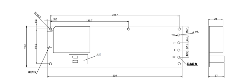
图3 驱动板的外形尺寸图

图4 门极适配板外形尺寸图
相关下载