产品中心
代理产品
PRODUCTS CENTER
12KV高压电压传感器
这里是标题一h1占位文字
CTR-RPT-12/A

高压电压传感器/支撑绝缘子组合装置是我公司开发的一种新型高压传感器专利产品。该产品兼有高压电压传感器
与支撑绝缘子两种功能,适用于测量12kV及以下电压等级的任意频率、任意波形的电压。广泛应用于各种高压开关柜、
高压变频器、STATCOM(SVG)及轻型直流输电变流器等领域。具有成熟、安全、可靠、紧凑、实用等突出特点。

●适合于测量任意波形的高电压(包括直流和各种频率与波形的交流电压);
●兼有高压电压传感器与支撑绝缘子两种功能;
●通过使用新大路公司的电压变送器产品系列,可以输出-5V~+5V瞬时电压信号,并能够直接驱动30mA以下的各种负载;
●通过使用新大路公司的电压变送器产品系列,可以输出4~20mA电流信号,直接驱动这类电压表头或其它25mA以下的各种负载;
●成熟、安全、可靠、紧凑、实用;
●完全密封,具有优良的防尘、防潮、防震和防冲击功能。

极限参数:

主要技术参数:


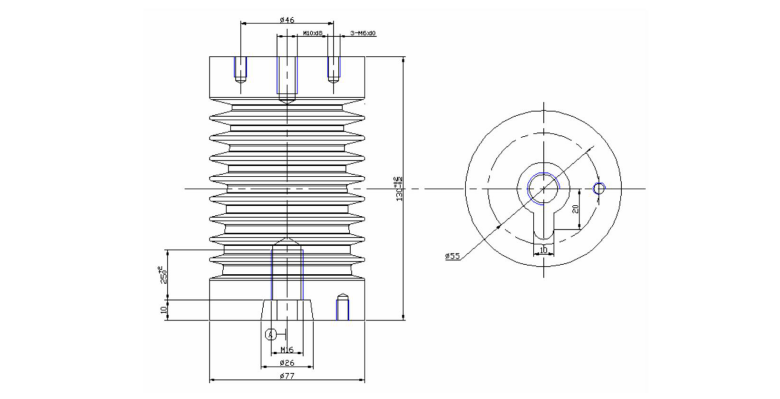
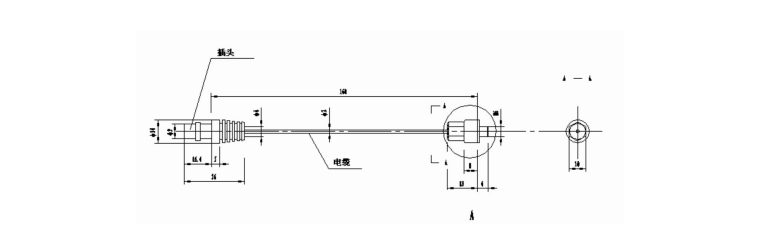
高压电压传感器由主体和附件电缆总成两部分组成,如上述产品图片所示。而附件电缆总成又由过渡短电缆和匹配
长电缆两部分组成。过渡短电缆通过螺栓接头拧在主体上,匹配长电缆插在过渡电缆上。
主体的外形尺寸如下所示:

附件电缆总成的过渡短电缆外形尺寸如下所示:

附件电缆总成的过渡短电缆外形尺寸如下所示:

相关下载